SERIES S – ROTOFLUX FOR PRINTING MACHINES DUO
These unions are available with two different balanced and microlapped sealing assemblies:
N Seal (Standard Sealing) with carbon graphite to carbide seals for application with filtered water.
Fluid pressure over 8 bar is allowed only when the fluid is cool water at max temperature 125°F (50°C).
Do not use the unions at max application limits without consulting us.
|
|
PRESSURE |
TEMPERATURE |
RPM |
|
Water |
50 bar / 725 PSI |
95°C / 203°F |
3500/5000/7000 |

|
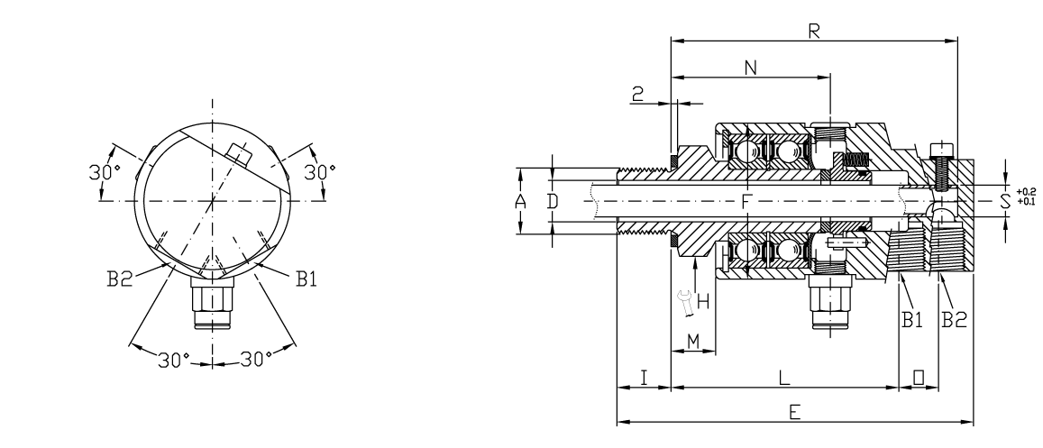
Ordering code |
Double passage stationary siphon unions |
||||||||||||||||
|
Water |
A |
B1 |
ø D |
E |
ø F |
G |
H |
I |
L |
M |
N |
O |
ø P |
Q |
R |
ø S |
Kg |
|
S10-2382-33R |
M16 X 1,5 RH |
G 3/8″ |
10 |
116 |
49 |
24 |
19 |
16 |
76,5 |
19 |
55 |
12,5 |
18 |
5 |
95 |
8 |
1 |
|
S10-2382-34L |
M16 X 1,5 LH |
||||||||||||||||
|
S15-2382-33R |
M20 X 1,5 RH |
G 3/8″ |
13 |
112 |
49 |
– |
SW 30 |
19 |
69,5 |
12 |
48 |
12,5 |
21 |
5 |
88 |
8 |
1 |
|
S15-2382-34L |
M20 X 1,5 LH |
||||||||||||||||
|
S15-2386-33R |
M20 X 1,5 RH |
G 3/8″ |
13 |
112 |
49 |
– |
SW 30 |
19 |
69,5 |
12 |
48 |
12,5 |
21 |
5 |
88 |
10 |
1 |
|
S15-2386-34L |
M20 X 1,5 LH |
||||||||||||||||
|
Customer interface |
|||||||||
|
A1 |
B2 |
I1 |
ø P1 H7 |
Q1 |
R |
ø T |
U |
V |
|
|
S10-2382-33R |
M16 X 1,5 RH |
G 3/8″ |
18 |
18 |
8.5 |
95 |
8 x 1 |
4 |
R.4 |
|
S10-2382-34L |
M16 X 1,5 LH |
||||||||
|
S15-2382-33R |
M20 X 1,5 RH |
G 3/8″ |
21 |
21 |
8.5 |
88 |
8 x 1 |
4 |
R.5 |
|
S15-2382-34L |
M20 X 1,5 LH |
||||||||
|
S15-2386-33R |
M20 X 1,5 RH |
G 3/8″ |
21 |
21 |
8.5 |
88 |
10 x 1 |
5 |
R.5 |
|
S15-2386-34R |
M20 X 1,5 LH |
||||||||
|
Ordering code |
Double passage stationary siphon unions |
|||||||||||||
|
Water |
A |
B1 = B2 |
ø D |
E |
ø F |
H |
I |
L |
M |
N |
O |
R |
ø S |
Kg |
|
S15-2382-31R |
G 1/2″ RH |
G 3/8″ |
13 |
112 |
49 |
SW 30 |
17 |
71,5 |
14 |
50 |
12,5 |
90 |
8 |
1 |
|
S15-2382-32L |
G 1/2″ LH |
|||||||||||||
|
S15-2386-31R |
G 1/2″ RH |
G 3/8″ |
13 |
112 |
49 |
SW 30 |
17 |
71,5 |
14 |
50 |
12,5 |
90 |
10 |
1 |
|
S15-2386-32L |
G 1/2″ LH |
|||||||||||||
|
Customer interface |
|||||||
|
A1 |
I1 |
Q1 |
R |
ø T |
U |
V |
|
|
S15-2382-31R |
G 1/2″ RH |
20 |
8.5 |
90 |
8 x 1 |
4 |
R.4 |
|
S15-2382-32L |
G 1/2″ LH |
||||||
|
S15-2386-31R |
G 1/2″ RH |
20 |
8.5 |
90 |
10 x 1 |
5 |
R.5 |
|
S15-2386-32R |
G 1/2″ LH |
||||||