SERIES S - LARGE CAPACITY
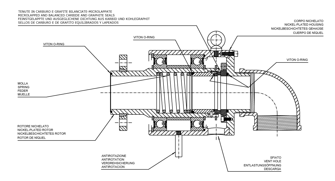
The unions ROTOFLUX S65, S80, S100 and S125, thanks to large free passages, are used when large fluid flows are needed. They are provided with balanced and microlapped seals made with carbide and carbon graphite.
The special design of the seals allows to change, when needed, only the seal rings in order to minimize time and costs of maintenance.
|
PRESSURE |
TEMPERATURE |
RPM |
|
|
Water |
10 bar / 145 PSI |
95°C / 203°F |
750 |

|
Ordering code |
Single passage unions |
|||||||||||||||
|
Water |
A |
B |
ø D |
E |
ø F |
ø G |
ø H |
I |
J |
L |
X1 |
X2 |
ø Y1 |
Y2 |
Z |
Kg |
|
S65-1300-01R |
G 2″ 1/2 RH |
G 2″1/2 |
61 |
350 |
156 |
90 |
8 6×60° |
32 |
69 |
274 |
38 |
55 |
12 |
40 |
162 |
17 |
|
S65-1300-02L |
G 2″ 1/2 LH |
|||||||||||||||
|
S80-1300-01R |
G 3″ RH |
G 3″ |
73 |
412 |
188 |
110 |
10 6×60° |
37 |
78 |
321 |
45 |
66 |
12 |
40 |
195 |
23 |
|
S80-1300-02L |
G 3″ LH |
|||||||||||||||
|
Ordering code |
Single passage unions |
|||||||||||||||||
|
Water |
B |
ø D |
E |
ø F |
J |
L |
ø M |
ø N |
ø P h7 |
Q |
R |
ø S |
X1 |
X2 |
ø Y1 |
Y2 |
Z |
Kg |
|
S65-1300-03F |
G 2″ 1/2 |
62 |
350 |
156 |
69 |
290 |
139 |
110 |
80 |
16 |
14 |
13 6×60° |
40 |
55 |
12 |
40 |
178 |
18 |
|
S80-1300-03F |
G 3″ |
77 |
412 |
188 |
78 |
337 |
165 |
135 |
100 |
21 |
16 |
13 8×45° |
45 |
66 |
12 |
40 |
211 |
24 |
|
S100-1300-03F |
G 4″ |
98 |
500 |
240 |
94 |
409 |
215 |
170 |
120 |
26 |
20 |
18 8×45° |
51 |
82 |
18 |
46 |
261 |
50 |
|
S125-1300-03F |
G 5″ |
120 |
591 |
282 |
115 |
481 |
245 |
200 |
150 |
31 |
22 |
18 8×45° |
53 |
100 |
18 |
41 |
307 |
85 |
|
Customer interface |
||||||
|
ø D1 |
ø N1 |
ø P1 F8 |
RA |
Q1 |
S1 |
|
|
S65 |
62 |
110 |
80 |
0,4 |
15 |
M12 6×60° |
|
S80 |
77 |
135 |
100 |
0,4 |
20 |
M12 8×45° |
|
S100 |
98 |
170 |
120 |
0,4 |
25 |
M16 8×45° |
|
S125 |
120 |
200 |
150 |
0,4 |
30 |
M16 8×45° |
|
Ordering code |
Double passage stationary siphon unions |
|||||||||||||||||||||
|
Water |
A |
B |
ø D |
E |
ø F |
ø G |
ø H |
I |
J |
K |
L |
O |
T |
U |
V |
W |
X1 |
X2 |
ø Y1 |
Y2 |
Z |
Kg |
|
S65-1300-01R-800 |
G 2″ 1/2 RH |
G 1″ 1/2 |
61 |
416 |
156 |
90 |
8 6×60° |
32 |
75 |
55 |
235 |
118 |
278 |
23 |
G 1″ 1/2 |
G 1″ 1/2 |
38 |
55 |
12 |
40 |
162 |
20 |
|
S65-1300-02L-800 |
G 2″ 1/2 LH |
|||||||||||||||||||||
|
S80-1300-01R-800 |
G 3″ RH |
G 2″ |
73 |
487 |
188 |
110 |
10 6×60° |
37 |
90 |
70 |
279 |
135 |
331 |
30 |
G 2″ |
G 2″ |
45 |
66 |
12 |
40 |
195 |
28 |
|
S80-1300-02L-800 |
G 3″ LH |
|||||||||||||||||||||
|
Ordering code |
Double passage rotating siphon unions |
|||||||||||||||||||||
|
Water |
A |
B |
ø D |
E |
ø F |
ø G |
ø H |
I |
J |
K |
L |
O |
T |
U |
V h9 |
W |
X1 |
X2 |
ø Y1 |
Y2 |
Z |
Kg |
|
S65-1300-01R-810 |
G 2″ 1/2 RH |
G 1″ 1/2 |
61 |
416 |
156 |
90 |
8 6×60° |
32 |
75 |
55 |
235 |
118 |
284 |
60 |
45,7 |
G 1″ 1/2 |
38 |
55 |
12 |
40 |
162 |
20 |
|
S65-1300-02L-810 |
G 2″ 1/2 LH |
|||||||||||||||||||||
|
S80-1300-01R-810 |
G 3″ RH |
G 2″ |
73 |
487 |
188 |
110 |
10 6×60° |
37 |
90 |
70 |
279 |
135 |
337 |
70 |
57,7 |
G 2″ |
45 |
66 |
12 |
40 |
195 |
28 |
|
S80-1300-02L-810 |
G 3″ LH |
|||||||||||||||||||||
|
Ordering code |
Double passage stationary siphon unions |
|||||||||||||||||||||||
|
Water |
B |
ø D |
E |
ø F |
J |
K |
L |
ø M |
ø N |
O |
ø P h7 |
Q |
R |
ø S |
T |
U |
V |
W |
X1 |
X2 |
ø Y1 |
Y2 |
Z |
Kg |
|
S65-1300-03F-800 |
G 1″ 1/2 |
62 |
416 |
156 |
75 |
55 |
251 |
139 |
110 |
118 |
80 |
16 |
14 |
13 6×60° |
294 |
23 |
G 1″ 1/2 |
G 1″ 1/2 |
40 |
55 |
12 |
40 |
178 |
21 |
|
S80-1300-03F-800 |
G 2″ |
77 |
487 |
188 |
90 |
70 |
295 |
165 |
135 |
135 |
100 |
21 |
16 |
13 8×45° |
347 |
30 |
G 2″ |
G 2″ |
45 |
66 |
12 |
40 |
211 |
34 |
|
S100-1300-03F-800 |
G 2″ 1/2 |
98 |
589 |
240 |
110 |
78 |
361 |
215 |
170 |
155 |
120 |
26 |
20 |
18 8×45° |
421 |
35 |
G 2″ 1/2 |
G 2″ 1/2 |
51 |
82 |
18 |
46 |
261 |
60 |
|
S125-1300-03F-800 |
G 3″ |
120 |
718 |
282 |
120 |
78 |
423 |
245 |
200 |
210 |
150 |
31 |
22 |
18 8×45° |
508 |
45 |
G 3″ |
G 3″ |
53 |
100 |
18 |
41 |
307 |
100 |
|
Ordering code |
Double passage rotating siphon unions |
|||||||||||||||||||||||
|
Water |
B |
ø D |
E |
ø F |
J |
K |
L |
ø M |
ø N |
O |
ø P h7 |
Q |
R |
ø S |
T |
U |
ø V H9 |
W |
X1 |
X2 |
ø Y1 |
Y2 |
Z |
Kg |
|
S65-1300-03F-810 |
G 1″ 1/2 |
62 |
416 |
156 |
75 |
55 |
251 |
139 |
110 |
118 |
80 |
16 |
14 |
13 6×60° |
300 |
60 |
45,7 |
G 1″ 1/2 |
40 |
55 |
12 |
40 |
178 |
21 |
|
S80-1300-03F-810 |
G 2″ |
77 |
487 |
188 |
90 |
70 |
295 |
165 |
135 |
135 |
100 |
21 |
16 |
13 8×45° |
353 |
70 |
57,7 |
G 2″ |
45 |
66 |
12 |
40 |
211 |
34 |
|
S100-1300-03F-810 |
G 2″ 1/2 |
98 |
589 |
240 |
110 |
78 |
361 |
215 |
170 |
155 |
120 |
26 |
20 |
18 8×45° |
430 |
80 |
74,6 |
G 2″ 1/2 |
51 |
82 |
18 |
46 |
261 |
60 |
|
S125-1300-03F-810 |
G 3″ |
120 |
718 |
282 |
120 |
78 |
423 |
245 |
200 |
210 |
150 |
31 |
22 |
18 8×45° |
518 |
100 |
87,6 |
G 3″ |
53 |
100 |
18 |
41 |
307 |
100 |
|
Customer interface |
||||||
|
ø D1 |
ø N1 |
ø P1 F8 |
RA |
Q1 |
S1 |
|
|
S65 |
62 |
110 |
80 |
0,4 |
15 |
M12 6×60° |
|
S80 |
77 |
135 |
100 |
0,4 |
20 |
M12 8×45° |
|
S100 |
98 |
170 |
120 |
0,4 |
25 |
M16 8×45° |
|
S125 |
120 |
200 |
150 |
0,4 |
30 |
M16 8×45° |